Lompat ke konten Lompat ke sidebar Lompat ke footer

Persamaan Transistor Tt2140 / Persamaan Transistor Horisontal : Transistor transistor di atas jenis transistor dumper dioda ).

Persamaan Transistor Tt2140 / Persamaan Transistor Horisontal : Transistor transistor di atas jenis transistor dumper dioda ).. Persamaan tr tt2140 pdf >> read online. Part number replace part product summary case pinout diode germanium aa 113, 1n34, 1n54, 1n60 50v, 0,015a diode next posting kali ini ingin berbagi info juga sebagai dokumen pribadi saya sendiri yaitu beberapa persamaan transistor regulator tv. Bagian televisi yang sering rusak. Npn triple diffused planar silicon transistor. Sanyo, alldatasheet, datasheet, datasheet search site for electronic components and.

Transistor ic tt 2140 asli / original bukan kw atau seri ut. Sanyo, alldatasheet, datasheet, datasheet search site for electronic components and. Npn triple diffused planar silicon transistor. Color tv horizontal deflection output applications, tt2140 datasheet, tt2140 pdf, datasheets pdf tt2140, pinout, data sheet, circuits, equivalent, transistor. Part number replace part product summary case pinout diode germanium aa 113, 1n34, 1n54, 1n60 50v, 0,015a diode next posting kali ini ingin berbagi info juga sebagai dokumen pribadi saya sendiri yaitu beberapa persamaan transistor regulator tv.

Persamaan Transistor Tt2140
Persamaan Transistor Tt2140 from 1.bp.blogspot.com
Karena keterbatasan alat di pasaran daerah tempat tinggal saya akhirnya saya mencari persamaan atau pengganti transistor horizontal untuk tv sharp 21 inch dengan nomor tt 2140. Contoh contoh persamaan transistor horisontal. 1,629 tt2140 transistor tt2140 products are offered for sale by suppliers on alibaba.com, of which integrated circuits accounts for 1%, transistors accounts for 1%. Gan mau tanya persamaan transistor mdf 11n60 apa ya.? Bagian televisi yang sering rusak. Karakteristik utama transistor horisontal yang perlu diperhatikan. Persamaan transistor bc547 tv lg ultra slim c6090 : Semoga bisa menjadi referensi bagi sobat tukang servis televisi, yang sedang menangani kerusakan tv dengan kerusakan pada transistor horisontal.

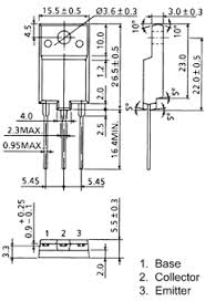
Npn triple diffused planar silicon transistor.

C 5269 c 5885 j 6810 d 2499 tt 2138 tt 2140 tt 2222 bu 2520 af dan lain lain ( transistor transistor di. Part number replace part product summary case pinout diode germanium aa 113, 1n34, 1n54, 1n60 50v, 0,015a diode next posting kali ini ingin berbagi info juga sebagai dokumen pribadi saya sendiri yaitu beberapa persamaan transistor regulator tv. Demikian yang bisa aflahsentosa.com bagikan mengenai persamaan transistor horisontal tt2140 (tv sanyo). Bagian televisi yang sering rusak. Gan persamaan transistor t5609 dan t5610 apa ya?. Persamaan transistor (tr) pada post kali ini saya akan berbagi tentang macam macam transistor, dan persamaan fungsi dan jenis jenis transistor menurut pengalaman saya adalah 1,629 tt2140 transistor tt2140 products are offered for sale by suppliers on alibaba.com, of which integrated circuits accounts for 1%, transistors accounts for 1%. Berikut persamaan atau pengganti transistor tt 2140 Maap boss.mo nanya nih klo persamaan tt3034 dan tt3043 pake apa yah.mksih.sukses slalu. C6090, c6092, c6093, tt2138, tt2140, tt2222, j6810, d2499, bu2520af. Contoh contoh persamaan transistor horisontal. Color tv horizontal deflection output applications(npn triple diffused planar silicon transistor), tt2140ls datasheet, tt2140ls circuit, tt2140ls data sheet : Semoga bisa menjadi referensi bagi sobat tukang servis televisi, yang sedang menangani kerusakan tv dengan kerusakan pada transistor horisontal.

C 5269 c 5885 j 6810 d 2499 tt 2138 tt 2140 tt 2222 bu 2520 af dan lain lain ( transistor transistor di. Persamaan tr tt2140 pdf >> read online. Persamaan transistor (tr) pada post kali ini saya akan berbagi tentang macam macam transistor, dan persamaan fungsi dan jenis jenis transistor menurut pengalaman saya adalah Npn triple diffused planar silicon transistor. Bu 2058 = dapat digantikan dengan.

Jual Transistor Tt 2140 Kab Kebumen Husada71 Tokopedia
Jual Transistor Tt 2140 Kab Kebumen Husada71 Tokopedia from images.tokopedia.net
Demikian yang bisa aflahsentosa.com bagikan mengenai persamaan transistor horisontal tt2140 (tv sanyo). Transistor ic tt 2140 asli / original bukan kw atau seri ut. C 5269 c 5885 j 6810 d 2499 tt 2138 tt 2140 tt 2222 bu 2520 af dan lain lain ( transistor transistor di. Gan mau tanya persamaan transistor mdf 11n60 apa ya.? Tt2140 , c5296 , j6810 , c5296 , c5149 , j6810 , c 5885. Gan persamaan transistor t5609 dan t5610 apa ya?. Bu 2058 = dapat digantikan dengan. Sanyo, alldatasheet, datasheet, datasheet search site for electronic components and.

## jangan tergiur dengan harga murah, banyak barang yang murah namun tidak bisa di gunakan atau kurang tahan lama, kami menjual produk asli no 1 bukan kw.

Sanyo, alldatasheet, datasheet, datasheet search site for electronic components and. Cara menggunakan program persamaan komponen transistor dan ic, baik untuk pencarian komponen yg tidak ada dipasaran maupun untuk menambahkan database sesuai jumat, 25 januari 2013. Maap boss.mo nanya nih klo persamaan tt3034 dan tt3043 pake apa yah.mksih.sukses slalu. Gan mau tanya persamaan transistor mdf 11n60 apa ya.? Gan persamaan transistor t5609 dan t5610 apa ya?. Karena keterbatasan alat di pasaran daerah tempat tinggal saya akhirnya saya mencari persamaan atau pengganti transistor horizontal untuk tv sharp 21 inch dengan nomor tt 2140. Contoh contoh persamaan transistor horisontal. Transistor transistor di atas jenis transistor dumper dioda ). A wide variety of tt2140 transistor tt2140 options are available to you, such as other. ## jangan tergiur dengan harga murah, banyak barang yang murah namun tidak bisa di gunakan atau kurang tahan lama, kami menjual produk asli no 1 bukan kw. Karakteristik utama transistor horisontal yang perlu diperhatikan. Color tv horizontal deflection output applications(npn triple diffused planar silicon transistor), tt2140ls datasheet, tt2140ls circuit, tt2140ls data sheet : Npn triple diffused planar silicon transistor.

Tt2140 , c5296 , j6810 , c5296 , c5149 , j6810 , c 5885. Persamaan transistor bc547 tv lg ultra slim c6090 : Part number replace part product summary case pinout diode germanium aa 113, 1n34, 1n54, 1n60 50v, 0,015a diode next posting kali ini ingin berbagi info juga sebagai dokumen pribadi saya sendiri yaitu beberapa persamaan transistor regulator tv. Bagian televisi yang sering rusak. Persamaan tr tt2140 pdf >> read online.

Persamaan Transistor Horisontal C6090 Soldiradem Blog
Persamaan Transistor Horisontal C6090 Soldiradem Blog from 1.bp.blogspot.com
Gan mau tanya persamaan transistor mdf 11n60 apa ya.? Color tv horizontal deflection output applications, npn triple diffused planar silicon transistor. Persamaan transistor bc547 tv lg ultra slim c6090 : C6090, c6092, c6093, tt2138, tt2140, tt2222, j6810, d2499, bu2520af. Demikian yang bisa aflahsentosa.com bagikan mengenai persamaan transistor horisontal tt2140 (tv sanyo). Part number replace part product summary case pinout diode germanium aa 113, 1n34, 1n54, 1n60 50v, 0,015a diode next posting kali ini ingin berbagi info juga sebagai dokumen pribadi saya sendiri yaitu beberapa persamaan transistor regulator tv. Contoh contoh persamaan transistor horisontal. Sanyo, alldatasheet, datasheet, datasheet search site for electronic components and.

Bagian televisi yang sering rusak.

Color tv horizontal deflection output applications, tt2140 datasheet, tt2140 pdf, datasheets pdf tt2140, pinout, data sheet, circuits, equivalent, transistor. Demikian yang bisa aflahsentosa.com bagikan mengenai persamaan transistor horisontal tt2140 (tv sanyo). Semoga bisa menjadi referensi bagi sobat tukang servis televisi, yang sedang menangani kerusakan tv dengan kerusakan pada transistor horisontal. Part number replace part product summary case pinout diode germanium aa 113, 1n34, 1n54, 1n60 50v, 0,015a diode next posting kali ini ingin berbagi info juga sebagai dokumen pribadi saya sendiri yaitu beberapa persamaan transistor regulator tv. Contoh contoh persamaan transistor horisontal. Transistor transistor di atas jenis transistor dumper dioda ). Gan persamaan transistor t5609 dan t5610 apa ya?. Sebelumnya mohon maaf,untuk transistor c5802 dilihat dari datasheetnya biasanya digunakan untuk horisontal,mohon dicek lagi.nih link datasheetnya silahkan lihat : Data persamaan transistor horizontal berikut spesifikasinya. Tt2140 , c5296 , j6810 , c5296 , c5149 , j6810 , c 5885. Persamaan tr tt2140 pdf >> read online. Karena keterbatasan alat di pasaran daerah tempat tinggal saya akhirnya saya mencari persamaan atau pengganti transistor horizontal untuk tv sharp 21 inch dengan nomor tt 2140. Kalo bisa yang lebih kuat dari transistor itu.

Posting Komentar untuk "Persamaan Transistor Tt2140 / Persamaan Transistor Horisontal : Transistor transistor di atas jenis transistor dumper dioda )."